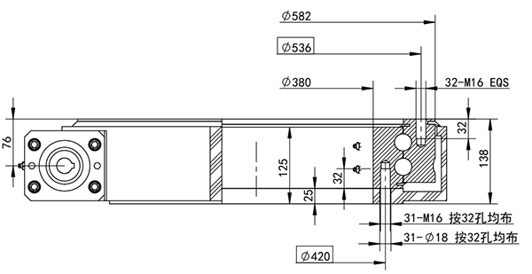
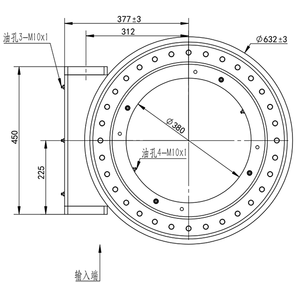
WZ0478
發布時間:2022/09/09 雙排球回轉驅動 瀏覽次數:1690
| 項目/ Item WZ-III-0478 | 符號 Sign | 單位 Unit | 數值 Value |
| 模數/Module | M | mm | 6 |
| 齒圈齒數/Teeth number of wheel | Z2 | - | 94 |
| 蝸桿螺紋系數/Worm thread | Z1 | - | 1 |
| 傳動比/Gear ration | i | - | 94.00 |
| 最大扭矩/Max torque | Md max | N.m | 23074 |
| 標準扭矩/Nom torque | Md nom | N.m | 23074 |
| 最大保持扭矩/Max holding torque | Mh | N.m | 32550 |
| 徑向額定靜載荷/Radial static load | Co rad | KN | 1233 |
| 軸向額定靜載荷/Axial static load | Co ax | KN | 3300 |
| 徑向額定動載荷/Radial dynamic load | Crad | KN | 437 |
| 軸向額定動載荷/Axial dynamic load | Cax | KN | 509 |
| 重量/Weight | W | Kg | 183 |
相關推薦
獲取方案報價






