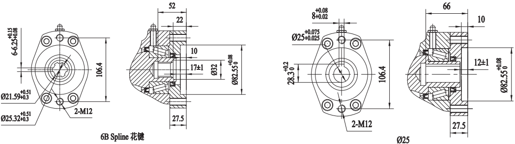
WEA14
發布時間:2021/02/01 WEA系列 瀏覽次數:2991
| 項目/Item WEA14 | 數值 Value | 單位 Unit |
| 輸出轉矩/Output Torque | 10.8 | kN.m |
| 傾覆力矩/Tilting Moment Torque | 71.2 | kN.m |
| 保持力矩/Holding Torque | 48 | kN.m |
| 軸向靜載荷/Static Axial Rating | 960 | kN |
| 徑向靜載荷/Static Radial Rating | 360 | kN |
| 軸向動載荷/Dynamic Axial Rating | 230 | kN |
| 徑向動載荷/Dynamic Radial Rating | 200 | kN |
| 減速比/Gear Ratio | 86:1 | — |
| 精度等級/Tracking Precision | ≤0.13 | ° |
| 重量/Weight | 75 | kg |
相關推薦
獲取方案報價







